emilspec
An Integrated Publishing, Inc. Site
eMilSpec
An Integrated Publishing Website
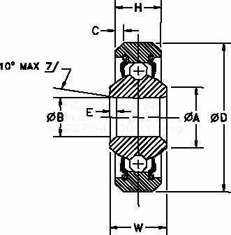
MS27645 Bearing, Ball, Airframe, Anti-Friction, Self-Aligning Light And Heavy Duty (S/S By Sae-As27645)
For Parts Inquires submit RFQ to
Parts Hangar, Inc.
© Copyright 2015 Integrated Publishing, Inc.
A Service Disabled Veteran Owned Small Business