emilspec
An Integrated Publishing, Inc. Site
eMilSpec
An Integrated Publishing Website
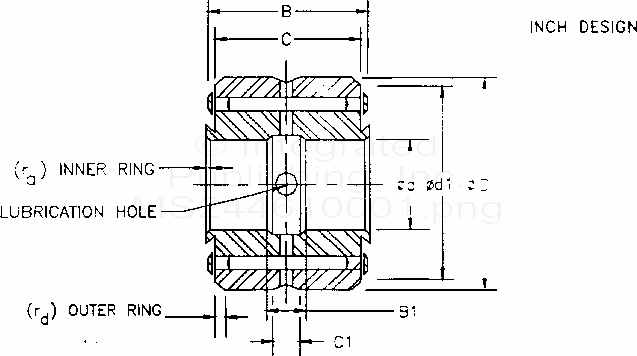
MS24461 Bearing Roller, Needle, Single Row, Heavy Duty, Type I, Antifriction, Inch (S/S By Sae-As24461)
For Parts Inquires submit RFQ to
Parts Hangar, Inc.
© Copyright 2015 Integrated Publishing, Inc.
A Service Disabled Veteran Owned Small Business